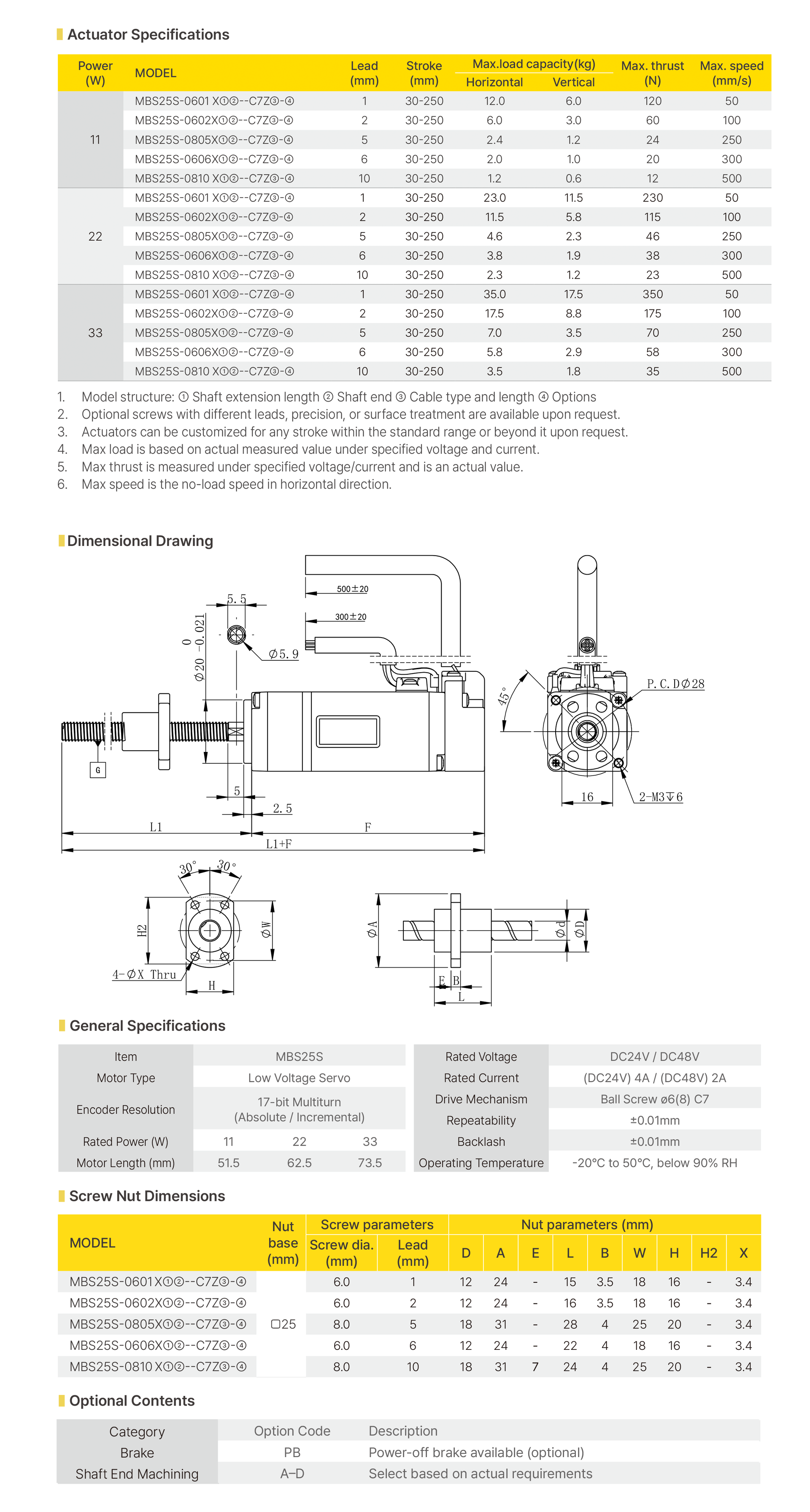
MBS-25S

Low-Voltage Servo Actuator with 17-bit Multi-turn Encoder


  • Encoder Resolution : 17-bit Multiturn
    (Absolute / Incremental)
  • 4A at DC24V / 2A at DC48V
  • Drive Mechanism : High-precision Ball Screw ø6(8) C7 
  • Suitable for automation and robotic arm applications requiring precise control

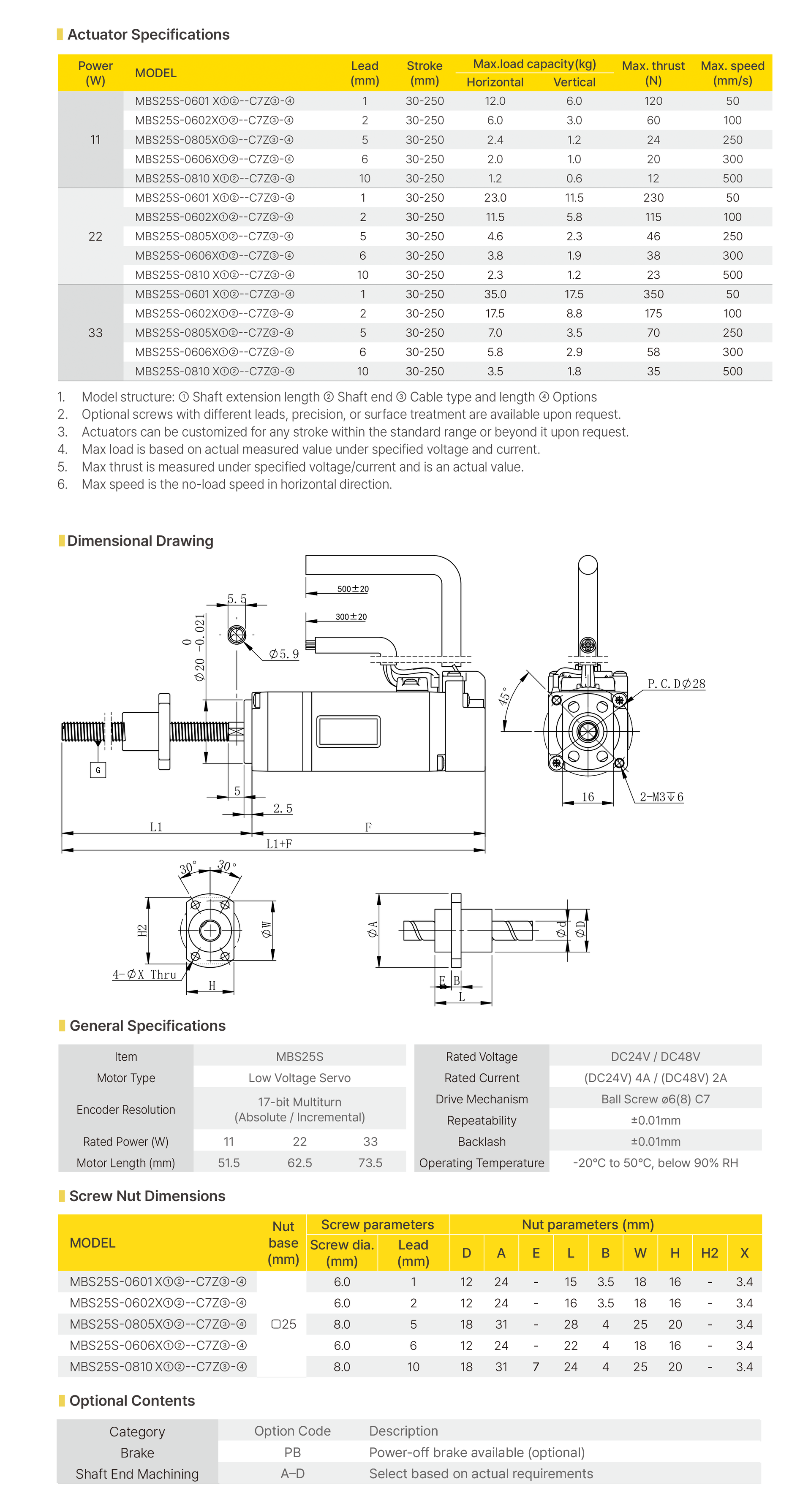
MBS-25S

Low-Voltage Servo Actuator with 17-bit Multi-turn Encoder


Encoder Resolution : 17-bit Multiturn (Absolute / Incremental)

4A at DC24V / 2A at DC48V

Drive Mechanism : High-precision Ball Screw ø6(8) C7

Suitable for automation and robotic arm applications requiring precise control


Speed-Thrust
MBS25S-11W_Curve
MBS25S-22W_Curve
MBS25S-33W_Curve
NOTE
1. Test Conditions : DC24V, 4.0A / DC48V, 2.0A
Acceleration/Deceleration 30,000p/sยฒ,
Test direction : Vertical

2. The thrust values above are measured and not guaranteed.
To ensure product life and reliability, it is recommended to allow at least 40% margin when selecting.